Chapter 3 Arithmetic for Computers
Number
- 1word = 32bits ,word广泛应用于各种指令中
- 所有指令在读寄存器数据后都要进行alu运算
- 计算机处理的都是一串二进制数,代表什么含义看具体场景
- 2的补码是大家普遍接受的数的表示形式,其可以用唯一数学表达式来表示。
- 浮点数: IEEE 754
- 原码表示和反码表示:+0和-0不重合
- 注意: 1000 = -8,两个0重合多出来的位置分配给-2^n
ALU(算逻单元)
Overflow
注意,两个无符号数相减,当减数大于被减数时,会将结果转换为有符号数,最高位代表符号位。
溢出条件: 1.正+正<0 2.负+负="">0 3.正-负<0 4.负-正="">00>0>
溢出的一种处理方式:两位符号位,当这两位数值不等,即溢出
硬件层面忽略Overflow,只给出溢出信号
哪些指令会产生溢出? ->add addi sub
lbu指令:unsigned填充,前24位填0
lb指令:signed填充,前24位填符号位
如何构造一个ALU?
先设计一个一位的ALU部件,再进行一维调用(串行连接)形成阵列。
可以对进位传输进行优化(超前进位),分组计算
slt构造:取减法结果的符号位,其他位都置0
具体实现可以用硬件代码实现,非常简单。
Function table
| ALU Control Lines | Functions |
|---|---|
| 000 | And |
| 001 | Or |
| 010 | Add |
| 110 | Sub |
| 111 | SLT |
| 100 | nor |
| 101 | srl |
| 011 | sor |
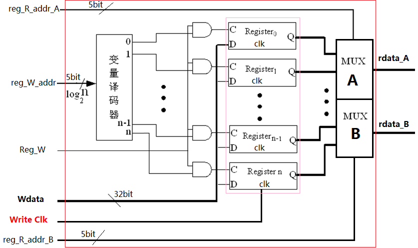
寄存器操作数
Register files:
支持2路读(rs,rt),1路写(rd/rt),因此说寄存器操作是最快的

分成两个部分:
读取:

写入:

乘法:
密码学里的农夫乘法,通过左移右移一位来进行,32位数每步就需要三个步骤,判断,左移,右移,需要进行将近100个时间周期,太慢。
于是进行32位一组的优化,通过对结果和乘数的移位实现。
早期的优化都是从电路结构上来优化的。
随后进行优化:将乘数放在后32位中,因为会被移位出去。(这里的移位都是算数移位)
Booth 算法,对一串连续1有很好的优化效果举例011100->100000-000100
Booth算法需要看两位:current last ,第一位时规定Bit-1 = 0
10:sub 11:shift 01: add 00 : shift
除法:
- 被除数<除数 ->放余数
- 迭代的进行减.git subtree push --prefix=_book origin gh-pages法操作,其中移位操作与乘法十分相似
- 十进制的长除很复杂,但二进制非0即1
- 注意MIPS中乘除法完成后,mflo/mfhi指令复制结果到某寄存器中